3D MECHANICAL [SOLIDWORKS COMPOSER]

Selected high resolution images are only available in a secure and confidential setting and may be redacted

EXPERIENCE AND CAPABILITIES

  • Producing compelling 3D illustrations for user guides, training materials, and field service engineer (FSE) support

  • Updating 3D views and outputs for ongoing SOLIDWORKS changes by product engineers

  • Eliminating engineers from having to produce illustrations in SOLIDWORKS for technical writers

  • Manipulating 3D models for exploded views, digger views, procedure steps, interactive SVGs

  • Importing SOLIDWORKS high level assembly file sets including all parts metadata

  • Creating BOM tables, including part numbers and other parameters extracted from metadata

  • Utilizing manual- and power-tool 3D models for precision rendering of procedure steps

  • Blending 3D illustrations with 2D icons, machine photos, and 2D wiring

  • Creating multiple outputs including high resolution images, vector images, interactive SVG files, and videos

  • Mastering large, complex industrial machine CAD models (>700 unique part IDs, >5,000 part instances)

  • Creating custom selection sets within complex equipment to create new subassemblies

  • Working with all types of fasteners and including detailed fastener specifications in BOM tables

  • Creating interactive browser-based applications for large, complex machinery using advanced SVG features

HIGH SPEED, INDUSTRIAL 3D PRINTERS


ELECTRONIC AND MECHANICAL DRAWINGS

topics:

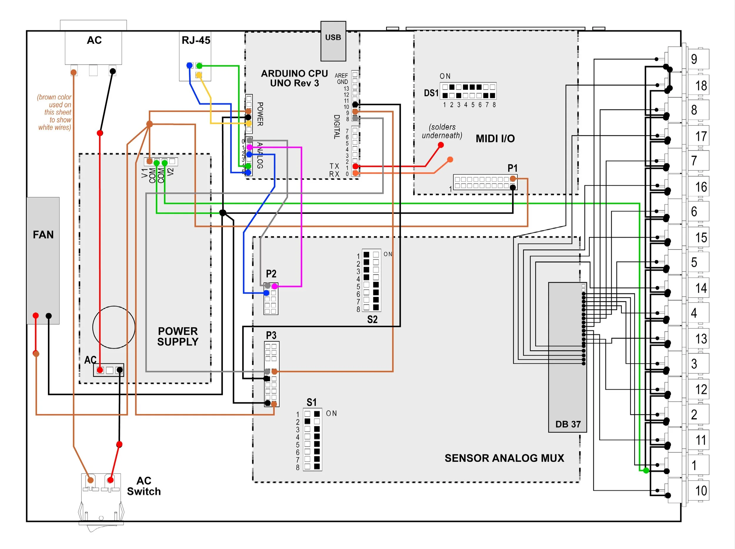
  • MIDI Controllers

  • Embedded Electronics

  • Prototype Housings

  • Power Supply Housings

  • Optical Sensors

  • Sonar Sensors

  • LED

  • DMX

experience and capabilities:

  • Overview

  • Developmental

  • Feasibility Analysis, Costing

  • Rapid Prototyping

  • Metal, Plastic, Wood

  • CNC Machining

  • Injection molding

  • 3D Printing

spaceharp: limited edition prototype:
MIDI controller AS BUILT

spaceharp: MIDI Controller production costing design

LASERIUM HOLLYWOOD CYBERTHEATER: INTERACTIVE STAGE DECK

LASERIUM HOLLYWOOD CYBERTHEATER: IN-DECK SENSOR-LED MODULES

PRODUCT CONCEPT VISUALIZATIONS

MECHANICAL PROTOTYPING: ARDUINO SYSTEM AND LED POWER SUPPLY

Screen Shot 2018-04-10 at 6.41.10 AM.png